4D Exciter II

4D EXCITER II employs high-precision vibration units to deliver millisecond-level haptic feedback. It features Safety Alert, Music Rhythm, Game Feedback, and Seat Massage.

  1. Lower Latency
  2. More Features
  3. Smaller Size
  4. Lower Cost

Additional information

Item

Specification

Impedance

8Ω+10%(1Vrms at 1kHz)

Resonant Frequency

68士10%Hz

Acceleration(at 4Vrms)

≥1.2Grms@600g load in middle at FO

Input Power

Rated 1.0W/Max. 2.0W

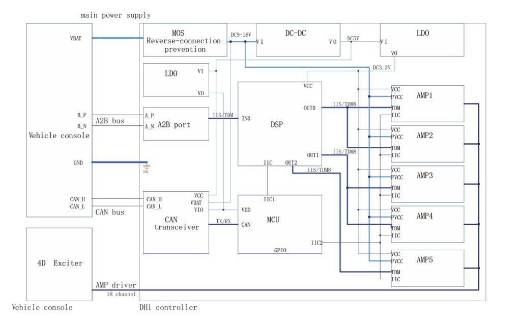
Product Diagram

4D Exciter II
4D Exciter II2

Learn More

▪ Tel: +1 248 521 0090

▪ Email: sales@kepotech.com

Know About

KEPO Tech

Our Plant

& Equipment

Our Services

Our Services

R & D

R & D

Applications

Applications

Product Portfolio

Product Portfolio

Simple FAQs

We specialize in HMI components and parts, Modules, and intelligent products for the AI and IoT industries, and we provide comprehensive services such as designing, producing, marketing, and servicing in these fields which will create new products in response to client demand.

KEPO owns three factories in Yutang Industrial Zone (main factory), Hongshu Industrial Zone, and Gaoqian Industrial Zone, with a total plant area of around 30000 m2 and more than 600 personnel. Yes. We are a trading and manufacturing company that can export goods on our own.

The entire assembly line is inspected by a professional machine.
The final product and its packaging are inspected.

Trade terms include FOB &CIF, C&F, and so on. Commonly used payment terms: T/T, 30% as a deposit, 70% before shipping.

To be honest, it depends on the order amount and the season of the year. Delivery usually takes between 30-35 days.

Yes, existing samples, confirmed research and development with buyers and samples under development and confirmed samples of bulk goods can provide for free. However, the buyer is responsible for the express cost.

Shipping methods include EMS, DHL, FedEx, UPS, TNT, China Post, and others.

Product Inquiry

Contact Directly By Email

Need any solutions or help, please contact sales@kepotech.com directly.

We will respond within 12 hours. Please pay attention to the email with the suffix “@kepotech.com”.